SCV0023-3.3V-3A - Импульсный стабилизатор напряжения 3.3 V, 3 А
Входное напряжение - 5..40 В, Выходное напряжение - 3.3 В, Выходной ток - не более 3 А
- Описание
- Характеристики
- Отзывы
- Задать вопрос
- ОЕМ-поставки
-
Импульсный стабилизатор напряжения предназначен для установки в радиолюбительские устройства с фиксированным выходным напряжением. Так как стабилизатор работает в импульсном режиме, он имеет высокий КПД и в отличие от линейных стабилизаторов не нуждается в теплоотводе. Модуль выполнен на плате с алюминиевой подложкой.
Устройство имеет тепловую защиту и ограничение по выходному току от 3 до 4 А. Выходное напряжение не может превышать напряжение на входе.
При питании модуля от понижающего трансформатора и диодного моста, на выход диодного моста необходимо установить фильтрующий конденсатор не менее 2200мкф.
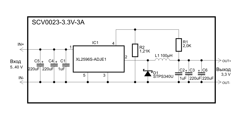
Модуль может быть легко модифицирован до SCV0023-ADJ-3A - регулируемый, для этого нужно удалить резистор R1, и вместо него установить переменный резистор 47 КОм. Так же модуль может быть перенастроен на дургое выходное напряжение. Для этого нужно заменить R1 на резистор, рассчитываемый по формуле R1=1210(Uвых/1.23-1), где Uвых - требуемое выходное напряжение.
Технические характеристики
Параметр Значение Входное напряжение 5..40 В Выходное напряжение 3.3 В ±5% Выходной ток, не более 3 А Ограничение выходного тока 3..4 А Частота преобразования 150 КГц Температура модуля без радиатора при tокр = 25° С, Uвх = 25 В, Uвых = 3.3 В при вых. токе 0,5 А 28 ° С при вых. токе 1 А 40 ° С при вых. токе 2 А 53 ° С при вых. токе 3 А 83 ° С КПД при Uвх = 25 В, Uвых = 3.3 В, Iвых = 3А 73% Диапазон рабочих температур -40..85° С Защита от переполюсовки нет Размеры модуля 43 х 40 х 12 мм Вес модуля 15 г Габаритные размеры

Документы
Схема стабилизатора напряжения SCV0023-3.3V-3A Размер: 29 кб -
Тип Понижающий Напряжение 3,3 В Ток 3 А -
-
Для производственных предприятий возможна поставка партий в технологической упаковке, т.н. OEM поставка. Удобный и выгодный вариант для производителей. В OEM партии модули поставляются упаковками.
Чтобы оставить отзыв, нужно авторизоваться. Пожалуйста, войдите с Вашей учетной записью
Войти







