SCV0031-3.3V-0.6A - Импульсный стабилизатор напряжения 3.3 V, 0.6 A
Входное напряжение - 8..16 В, Выходное напряжение - 3.3 В, Выходной ток - не более 0,6А
- Описание
- Характеристики
- Отзывы
- Задать вопрос
- ОЕМ-поставки
-
Импульсный стабилизатор напряжения предназначен для установки в радиолюбительские устройства с фиксированным выходным напряжением. Так как стабилизатор работает в импульсном режиме, он имеет высокий КПД и в отличие от линейных стабилизаторов не нуждается в дополнительном теплоотводе. Применение в модуле танталовых конденсаторов обеспечивает продолжительный ресурс модуля и низкие пульсации на выходе.
Устройство имеет тепловую защиту, защиту от КЗ на выходе и ограничение по выходному току. Выходное напряжение не может превышать напряжение на входе.
При питании модуля от понижающего трансформатора и диодного моста, на выход диодного моста необходимо установить фильтрующий конденсатор не менее 1000мкф.
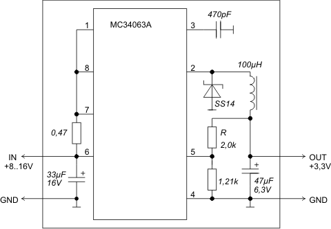
Модуль может быть перенастроен на другое выходное напряжение, но не более 6,3В. Для этого нужно заменить резистор R на резистор, рассчитываемый по формуле R=1210(Uвых/1.25-1), где Uвых - требуемое выходное напряжение.
Технические характеристики
Параметр Значение Входное напряжение при Iвых = 0,6А 8..16 В Входное напряжение при Iвых = 0,3А 5,5..16 В Выходное напряжение 3,3 В ±5% Выходной ток, не более 0,6 А Ограничение выходного тока 0,6..0,7 А Частота преобразования 100 КГц Температура модуля без радиатора при tокр = 25° С, Uвх = 12 В, Uвых = 3,3 В, Iвых = 0,6 A 45 ° С Пульсации на выходе при Uвх = 12 В, Uвых = 3,3 В, Iвых = 0,6 A 70 мВ КПД при Uвх = 12 В, Uвых = 3,3 В, Iвых = 0,6А 75 % Диапазон рабочих температур -10..+70° С Защита от переполюсовки нет Размеры модуля 22 х 15 х 6 мм Вес модуля 2,6 г Схема модуля
Габаритные размеры
Ссылки по теме:
-
Тип Понижающий Напряжение 3,3 В Ток 0,6 А -
-
Для производственных предприятий возможна поставка партий в технологической упаковке, т.н. OEM поставка. Удобный и выгодный вариант для производителей. В OEM партии модули поставляются упаковками.
Чтобы оставить отзыв, нужно авторизоваться. Пожалуйста, войдите с Вашей учетной записью
Войти








