Видео-обзоры
Все видео
Благодарности
09.04.2026
Андрей Анатольевич,
Нахабино
Очень благодарен за работу техподдержки магазина. Заказ был выполнен за 2 рабочих дня. Спасибо!
16.02.2026
Сергей,
Новосибирск
Здравствуйте! Спасибо большое за заказ! Я очень доволен! Быстро, внимательно даже не верится! &...
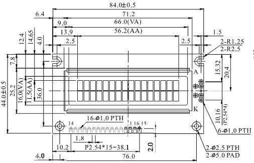
WH1602A-YYK-CTK
Распродажа
- Описание
- Характеристики
- Отзывы
- Задать вопрос
-
WH1602A-YYK-CTK
Буквенно-цифровой ЖК-индикатор.
2 строки 16 символов.
Напряжение питания 5В.
Желтозеленая светодиодная подсветка.
Черные буквы на желтом фоне.
Температурный диапазон -20 + 70С
Габаритные размеры, мм: 84х44х13.5мм
Размеры видимой области, мм: 66х16ммГабаритный чертеж
Ссылки по теме
-
Тип Буквенно-цифровые Бренд Winstar Разрешение 2 строки по 16 символов -
Чтобы оставить отзыв, нужно авторизоваться. Пожалуйста, войдите с Вашей учетной записью
Войти