Видео-обзоры
Все видео
Благодарности
09.04.2026
Андрей Анатольевич,
Нахабино
Очень благодарен за работу техподдержки магазина. Заказ был выполнен за 2 рабочих дня. Спасибо!
16.02.2026
Сергей,
Новосибирск
Здравствуйте! Спасибо большое за заказ! Я очень доволен! Быстро, внимательно даже не верится! &...
WH1604A-YYH-CT
Распродажа
Артикул:
1044201
Буквенно-цифровой ЖК-индикатор. 4 строки 16 символов
Подробнее
Со склада (6)
Товар в наличии на складе, резервируется при заказе
Возможна отгрузка в течение 1-2 рабочих дней
792 руб.
1 320 руб.
-
+
- Описание
- Характеристики
- Отзывы
- Задать вопрос
-
Буквенно-цифровой ЖК-индикатор.
4 строки 16 символов.
Напряжение питания 5В.
Желтозеленая светодиодная подсветка.
Черные буквы на желтом фоне.
Температурный диапазон -20 + 70С
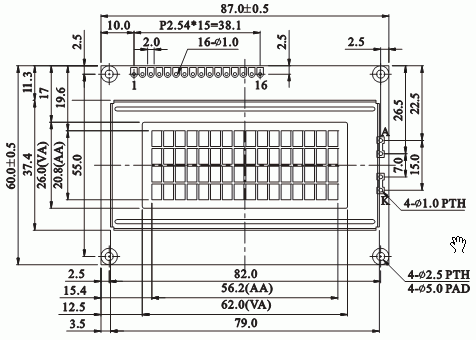
Габаритные размеры, мм: 87х60х13.6мм
Размеры видимой области, мм: 62х26ммГабаритный чертеж
Ссылки по теме
-
Тип Буквенно-цифровые Бренд Winstar Разрешение 4 строки по 16 символов -
Чтобы оставить отзыв, нужно авторизоваться. Пожалуйста, войдите с Вашей учетной записью
Войти

