SR0039-1L - Релейный модуль, 1-канал, 5В
Реле с управлением логическим уровнем, 1 канал.
- Описание
- Характеристики
- Отзывы
- Задать вопрос
- ОЕМ-поставки
-
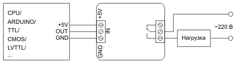
Модуль предназначен ля использования в составе систем автоматизации для коммутации силовых нагрузок с максимальным током до 10 А при максимальном переменном напряжении 240 В. Управление осуществляется логическим уровнем. Может устанавливаться на DIN-рейку с использованием изолятора нулевой шины.
Требует монтажа квалифицированным персоналом.
Когда на входе отсутствует управляющий сигнал - светодиод выключен, контакты реле находятся в состоянии как на чертеже модуля. При наличии управляющего сигнала, светодиод включен, контакты реле находятся в противоположном состоянии.
Технические характеристики
Параметр Значение Напряжение питания 5 В Максимальный потребляемый ток по питанию 70 мА Максимальный потребляемый ток по входу 1 мА Индикация состояния Светодиод зеленый Входной сигнал: 0..+0.7 В выключено +1..5.0 В включено Коммутируемый переменный ток при 240 В до 10 А Коммутируемый постоянный ток при 28 В до 10 А Максимальное коммутируемое постоянное напряжение 30 В Ресурс срабатывания реле (в зависимости от коммутируемого тока) от 100 000 до 10 000 000 раз Крепежное отверстие 3,5мм Габаритные размеры 57,5 х 16,5 х 25 мм Вес 19 г. Температура эксплуатации -40..+85°C Схема включения
Схема модуля
Габаритные размеры
SR0039-1L на изоляторе нулевой шины на DIN рейку.
-
Управление Реле Максимальный ток, А 10 -
-
Для производственных предприятий возможна поставка партий в технологической упаковке, т.н. OEM поставка. Удобный и выгодный вариант для производителей. В OEM партии модули поставляются упаковками.
|
Лашко В
|
|
Судя по схеме, проблем с подключением быть не должно, Я бы рекомендовал выпустить линейку подобных модулей от 1 до 4 каналов, а также выпустить бесконтактные модули (на 3063+ BT136 и им подобные) с типовой схемой включения
|
Чтобы оставить отзыв, нужно авторизоваться. Пожалуйста, войдите с Вашей учетной записью
Войти








